首頁衛浴設備面盆【innoci】50cm檯上盆 NC2213W-1


【innoci】

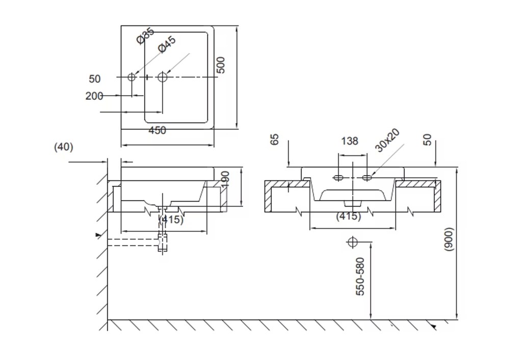
50cm檯上盆 NC2213W-1

材質:陶瓷

產品尺寸:500x450x190mm

-商品介紹-

商品介紹

規格說明